О товаре:
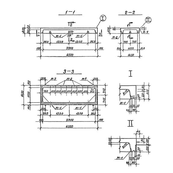
- Длинна: 4320 мм.
- Ширина: 1430 мм.
- Высота: 400 мм.
- Вес: 3200 кг.
- ГОСТ, Серия: Серия 3.903 КЛ-13 скачать
- Объем бетона: 1,27 м3
- Геометрический объем: 2,471 м3
Стандарт изготовления изделия: Серия 3.903 КЛ-13
Блок камеры НБК 4,0 - это железобетонное прямоугольное изделие, имеющее на поверхности закладные детали, служащие для крепления металлических опор для трубопроводов. Такой блок является частью тепловой сборной герметичной камеры. Серией изготовления 3.903 КЛ-13 запроектировано несколько блоков, различающихся по расположению в камере (верхний, средний и нижний). Тепловая конструкция служит местом расположения узлов трубопроводов инженерных сетей. Может применяться на сетях водопровода, канализации, а также газовых сетях. К характеристикам камеры и отдельных ее частей можно отнести прочность и выносливость, так как после заглубления в почву, изделия постоянно испытывают нагрузки от грунта и наземного транспорта. Также при производстве в НБК 4,0 заложена стойкость к воздействию грунтовых вод, большой влажности и переменам температур. Конструкции железобетонных камер и всех ее составляющих элементов предназначены для применения в условиях слабоагрессивной среды.
Расшифровка маркировки изделия
Марка железобетонного блока камеры состоит из особого шифра, состоящего из букв и цифр. Каждый символ такого индекса имеет свое определенное значение. Так если рассматривать расшифровку НБК 4,0, то можно увидеть следующее:
1. НБК - положение блока камеры (нижний);
2. 4,0 - внутренние габариты камеры в метрах.
Маркировка прописывается на внешней поверхности готового изделия темной, стойкой к влажности и ультрафиолету краской. Помимо марки, там же может указываться товарный знак производителя или же его краткое название, серия работы, дата выпуска, отпускная масса, штамп ОТК.
Материалы и производство
Блоки изготавливают в соответствии пометок и чертежей из Серии 3.903 КЛ-13. При этом производство проходит в заводских условиях или на полигонах предприятий строительной индустрии. Для того чтобы изделие было качественным, было соответствующей чертежу формы и отвечало всем требованиям регламента, производитель блоков должен четко соблюдать технологический процесс. Для производства НБК 4,0 используется бетон класса В20 или В25. По морозостойкости бетонная масса должна быть F150, по водонепроницаемости - W4.Доставка изделия потребителю должна производиться по достижении бетоном отпускной прочности. Величина нормируемой прочности 70% от проектной - в летнее время, и 80% - в зимнее время.
Так как изделие постоянно испытывает нагрузки от грунта и транспорта, оно должно обладать повышенной прочностью. Дополнительная прочность в НБК 4,0 закладывается в процессе армирования. Армирование здесь происходит с помощью ненапрягаемой арматуры класса А-I, А-II, А-III и арматурной проволокой. Нижнюю стальную сетку укладывают в форму на специальные бетонные или пластмассовые подкладки, толщина которых соответствует толщине защитного слоя бетона. Все закладные и накладные элементы должны иметь антикоррозийное цинковое покрытие, наносимое одним из следующих способов: металлизацией или горячим цинкованием.
Для оценки качества НБК 4,0 по прочности и трещиностойкости предприятие-изготовитель производит контрольные испытания в соответствии ГОСТ 8829-35. Итогом является присвоения изделию документа, который подтверждает качество блока.
Хранение и транспортировка
Железобетонные блоки камер должны храниться и перевозиться с соблюдением техники безопасности, в штабелях, высотой не более двух метров. Каждое изделие укладывается на деревянные подкладки толщиной не менее трех сантиметров. Перевозить НБК 4,0 разрешается как автомобильным, так и железнодорожным транспортом, с применением специальных креплений, которые помогают предотвратить порчу конструкции.

